Разработка схемы автоматизации технологического процесса

Страница 1

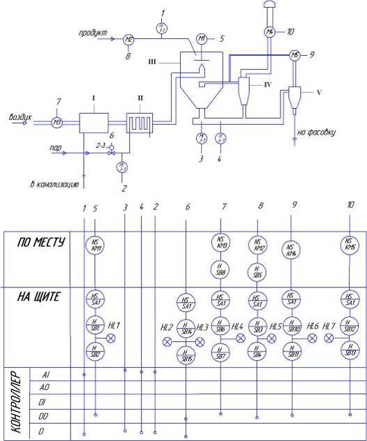
Схема автоматизации сушилки предусматривает контроль температуры в камере, контроль и регулирование давления пара в трубопроводах, наличие продукта подаваемого в сушильную камеру, программное управление циклом сушки, местное и дистанционное управление электродвигателями.

Сушильная башня в верхней части имеет цилиндрическую форму, а нижняя часть - форму конуса. Устройство для распыления 3 установлено вверху камеры. Распыливающий диск приводится в движение от электродвигателя М1 через повышающий редуктор специальной конструкции.

Сушилка работает следующим образом. Сгущенное молоко из бака насосом М2 подается на диск для распыления. Вентилятор М3 нагнетает воздух в осушитель и калорифер и далее в сушильную камеру по воздуховоду. Горячий воздух, поступает тангенциально в сушильную камеру через патрубок в верхней части около распыливающего диска, захватывает частицы распыленной жидкости в момент их наивысшей скорости, в результате чего происходит весьма быстрое и основное испарение влаги из продукта. Получаемый при этом молочный порошок падает в нижнюю конусообразную часть сушильной камеры и выводиться из нее пневматическим транспортирующим устройством, заменяющим разгрузочный шнек.

Из камеры порошок поступает в транспортирующую трубу, по которой и продвигается под действием воздуха, нагнетаемого вентилятором М5, и попадает в малый циклон, из которого поступает в бункер для расфасовки в тару. Воздух в транспортирующую трубу засасывается через фильтр из помещения, следовательно, порошок частично охлаждается. При этом возможно засасывание и специального воздуха. В выходящем из малого циклона воздухе еще могут содержаться частицы порошка, поэтому он вентилятором М5 подается к отработавшему воздуху, направляемому на очистку. Отработавший воздух вместе со взвешенным в нем мелкими частицами сухого молока забирается трубой, очищается в большом циклоне и вентилятором М4 выбрасывается наружу. Порошок из большого циклона удаляется также пневматически через транспортирующую трубу.

Спецификация оборудования: I – осушитель воздуха, II – калорифер, III – камера сушки, IV – большой циклон, V – малый циклон.

Таблица 1. Спецификация к схеме автоматизации

Позиция

Наименование

Тип/марка

Кол-во

ТЕ

Датчик температуры

Датчик влажности и температуры серия VC, VR-CVC 3/5 Galltec+Mela

1

МЕ

Датчик влажности

1

РЕ

Датчик давления

Сапфир-22 ООО СКБ "Приборы и системы"

1

FE

Расходомер

ЭМИС-ВИХРЬ-200

1

КМ

Магнитный пускатель

ПМ12 ОАО "Кашинский завод электрооборудования"

5

SA

Переключатель режимов

Переключатель ПК-16

1

SB

Кнопка управления

ABLF-22230В

15

HL

Светодиоды

С503В-GAS (5мм)

7

2 – 3

Исполнительный механизм

GH100-1 - Клапан шаровой регулирующий

1

Контроллер

Контроллер

ОВЕН ПЛК-73

1

Страницы: 1 2 3 4


Материалы по теме:

Санитарно-гигиенические требования к рыбе
По химическому составу и биологической ценности рыба близка к мясу. В рыбе содержится от 8 до 14 % белка, от 0,3 до 28 % жира, который обладает высокой биологической ценностью. Мясо рыб богато витаминами А и D. Рыба является скоропортящимся продуктом, поскольку ее мышечная ткань содержит много влаг ...

Характеристика исследуемого предприятия общественного питания
Проектируемая закусочная «O’Ladushka»: Тип предприятия: блинная Мощность: 40 посадочных мест. Организационно-правовая форма: общество с ограниченной ответственностью. Планируемое место расположения: г. Ярославль, ул. Нахимсона,21. Режим работы: с 10-00ч. до 21-00ч. без перерыва для отдыха персонала ...

Сравнительная характеристика рыбных полуфабрикатов и кулинарных изделий по пищевой ценности, потребительским свойствам, сырью, производству, показателям качества, условиям и срокам хранения
рыбный полуфабрикат потребительский пищевой молоко Современные предприятия по выпуску рыбной кулинарии - это высокомеханизированные рыбозаводы, рыбокомплексы, которые выпускают широкий ассортимент изделий в мелкоштучной расфасовке в охлажденном или мороженом виде. Расширение производства полуфабрик ...


Разделы

© 2014-2026 Copyright www.foodtours.ru 0.2985